Definicja oporu elektrycznego: Wzory, jednostki i jak obliczyć opór?
Poznaj definicję oporu elektrycznego, jednostki i wzory do jego obliczania. Dowiedz się, jak prawo Ohma wpływa na przepływ prądu i jakie czynniki determinują opór przewodników.
Definicja oporu elektrycznego: Wzory, jednostki i jak obliczyć opór?
Poznaj definicję oporu elektrycznego, jednostki i wzory do jego obliczania. Dowiedz się, jak prawo Ohma wpływa na przepływ prądu i jakie czynniki determinują opór przewodników.
Opis przekaźnika: Jakie ma funkcje i jak działa w praktyce?
Poznaj funkcje i zasadę działania przekaźnika w praktyce. Dowiedz się, jak ten kluczowy element układów elektrycznych wpływa na bezpieczeństwo i efektywność systemów w różnych branżach przemysłu.
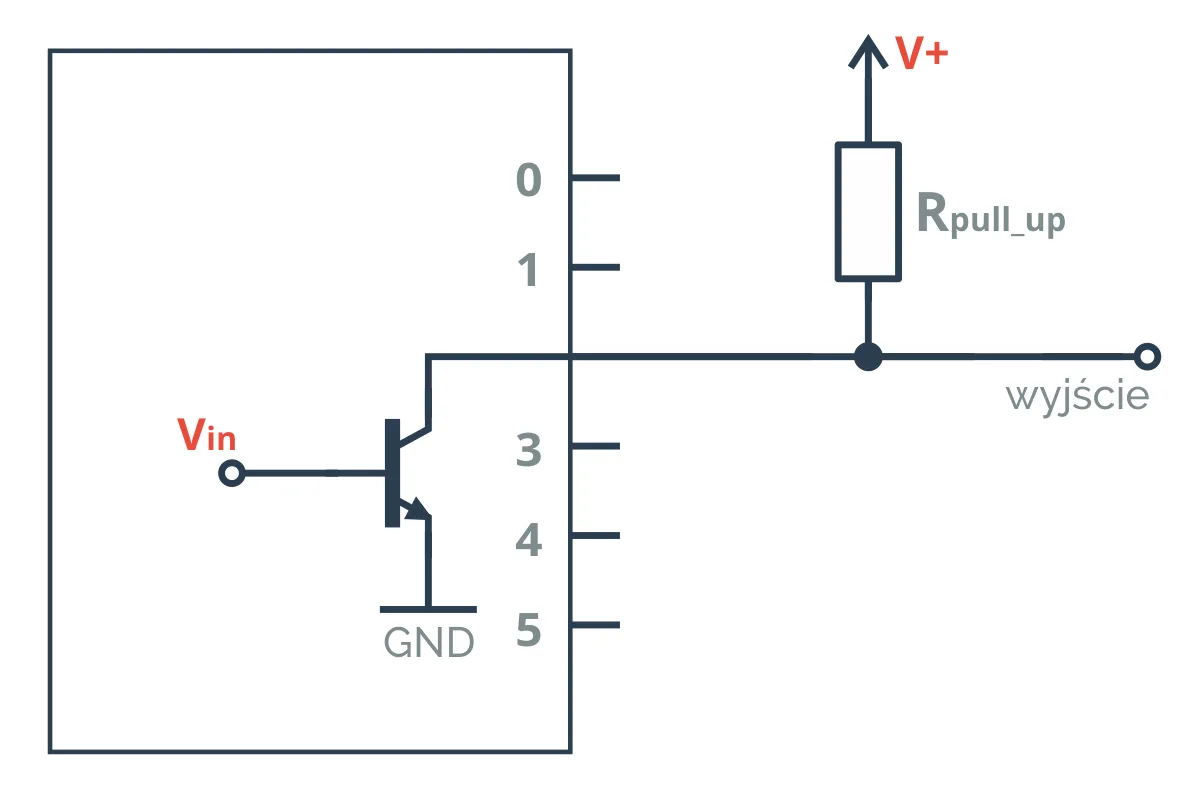
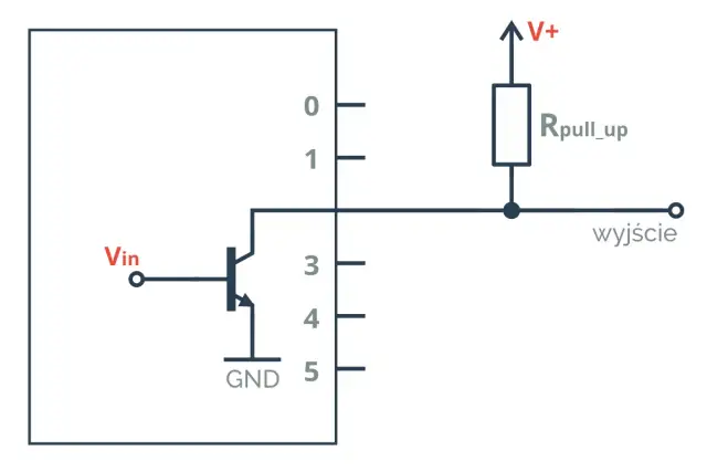
Opornik: Co oznacza symbol i jak go rozpoznać w obwodach elektrycznych?
Poznaj znaczenie symbolu oporu R i dowiedz się, jak rozpoznawać oporniki na płytkach drukowanych. Odkryj rodzaje oporników, współczynnik tolerancji oraz metody obliczania wartości oporu w obwodach elektrycznych.
Odległości PL: Jak mierzyć i co warto wiedzieć o pomiarach?
Poznaj tajniki dokładnych pomiarów odległości. Od prostych narzędzi po zaawansowane technologie - dowiedz się, jak mierzyć precyzyjnie i efektywnie. Odległości PL - kompleksowe spojrzenie na metody pomiarowe.
Ogniwo Leclanchégo: Budowa, działanie i zastosowanie w praktyce
Poznaj budowę, zasadę działania i praktyczne zastosowania ogniwa Leclanchégo. Dowiedz się, dlaczego ta prosta technologia nadal odgrywa kluczową rolę w zasilaniu urządzeń codziennego użytku.
Opornik równoległy i szeregowy: Różnice oraz przykłady zastosowania w praktyce
Poznaj różnice między opornikiem równoległym a szeregowym. Dowiedz się, jak działają połączenia równoległe i szeregowe oraz zobacz praktyczne przykłady ich zastosowania w elektronice.
Nowe maszyny do pisania: Co warto wiedzieć przed zakupem?
Poznaj świat nowych maszyn do pisania! Odkryj różne modele, ich funkcje i zastosowania. Dowiedz się, jak wybrać idealną maszynę do swoich potrzeb i dbać o nią. Inspiruj się nostalgiczną czcionką.
Napięcie elektryczne: Jednostki i definicja napięcia w praktyce i teorii
Poznaj definicję napięcia elektrycznego, jego jednostki i zastosowania. Dowiedz się, jak mierzyć napięcie i jakie ma znaczenie dla przepływu prądu elektrycznego w praktyce i teorii.
Opór elektryczny: Wzór oraz jak obliczyć opór w obwodach elektrycznych?
Poznaj wzór na opór elektryczny i naucz się go obliczać w różnych obwodach. Dowiedz się, jakie czynniki wpływają na opór i jak go mierzyć. Praktyczne zastosowania w elektronice i elektrotechnice.
Motyl origami: Jak zrobić krok po kroku? Instrukcje i przydatne porady
Stwórz pięknego motyla origami krok po kroku. Poznaj techniki składania, unikaj błędów i odkryj ciekawe modyfikacje. Naucz się sztuki origami i stwórz wyjątkową dekorację.