
2 Prawo Ohma: Jakie ma zastosowania w codziennych projektach?
Poznaj praktyczne zastosowania 2 prawa Ohma w codziennych projektach. Od instalacji elektrycznych po urządzenia AGD - dowiedz się, jak ta zasada wpływa na nasze życie i technologię.
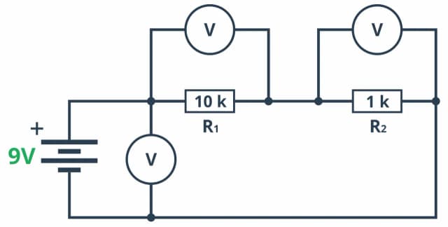
2 Prawo Ohma: Jakie ma zastosowania w codziennych projektach?
Poznaj praktyczne zastosowania 2 prawa Ohma w codziennych projektach. Od instalacji elektrycznych po urządzenia AGD - dowiedz się, jak ta zasada wpływa na nasze życie i technologię.